说明:设备名称:温度-湿度-低气压-振动四综合试验系统1. 项目概况1.1. 设备组成产品名称分系统子系统组成温度-湿度-低气压-振动四综合试验系统垂直向四综合
购买咨询设备名称:温度-湿度-低气压-振动四综合试验系统
产品名称 | 分系统 | 子系统 | 组成 |
温度-湿度-低气压-振动四综合试验系统 | 垂直向四综合试验系统 | 气候试验子系统 | 箱体 |
温度调节系统 | |||
湿度调节系统 | |||
压力调节系统 | |||
控制系统 | |||
振动试验子系统 | 振动试验子系统 | ||
水平向四综合试验系统 | 气候试验子系统 | 箱体 | |
温度调节系统 | |||
湿度调节系统 | |||
压力调节系统 | |||
控制系统 | |||
振动试验子系统 | 振动试验子系统 |
进行环境模拟,包括控温、控湿、气压、振动等。两个分系统可独立使用;每个分系统中的子系统可组合使用,也可独立使用。
类别 | 栏目 | 内容 | 备注 |
安装场地、尺寸要求 | 地面 | 地面平整,承重要求≥500kg/㎡ | 针对楼上场地 |
通道要求 | 试验箱外形尺寸能够通过 | / | |
安放环境 | 通风良好,不含易燃易爆腐蚀性气体和粉尘 | ||
维护空间 | 设备周围留有适当的维护空间 A:不小於600mm B:不小於600mm C:不小於开门+1200mm
| ||
水、电、气 | 液氮 | 乙方配置1台5立方0.8MPa立式液氮低温储槽(基础及管道施工由乙方负责),通过DN50真空管道输送液体至用户设备前段,通过法兰连接DN25真空软管再连接至设备。储罐上设置压力和液位传感器、管道上设置安全阀、泄放装置、温度变送器、压力变送器、紧急切断阀,通过PLC控制柜实现对整个液氮系统的控制和报警功能,达到安全用氮目的,保护后端设备正常使用。 | |
供气 | 甲方配备设备使用气源,压力要求为:0.3Mpa~0.6Mpa。乙方气源预留接口至设备现场,接入设备由乙方负责,管道和阀门材质为304不锈钢 | ||
振动试验分系统冷冻水 | 甲方配备≤30℃的工业冷冻循环水 | ||
气候试验分系统冷却水 | 甲方配备≤30℃的工业冷冻循环水 | ||
冷冻/却水安装 | 甲方冷冻/却水预留总管接口至各需水单元,接入各单元模块由乙方负责,管道和阀门材质为304不锈钢 | ||
功率 | 约500kw(以中标后详细设计为准) | ||
电源 | 电压:(380V±10%,频率:(50±0.5)Hz,三相五线制 甲方在设备场地边沿配备动力配电柜,接入设备配电柜由乙方负责 | ||
接地 | 甲方在设备安装场地周围配备接地电阻为4Ω共用接地扁铁 | ||
场地环境要求 | 环境温度 | 室外:-5℃~50℃,室内:0℃~35℃ | |
环境湿度 | ≤95%RH(年平均湿度80.6%RH) | ||
海拔高度 | ~520m | ||

1) 整个系统布置在试验大厅23m×11m的场地上,水平向四综合试验分系统与垂直向四综合试验分系统沿大厅长度方向左右对称布置,中间留3m宽产品进出通道,系统所有附属设备按就近原则布置;
2) 系统工作面与大厅地面大致齐平,气候子系统的试验舱下方为基坑,基坑底面为振动台隔振基础,气候子系统的试验舱可以升降和左右移动,以方便留出振动台维修空间;
3) 两个分系统可独立使用;每个分系统中的子系统可组合使用,也可独立使用。

1.25m3。
采用前后结构设计,前部为箱体后部为机组。
试验箱采用整体式结构:前部为试验区,后部为机组。
采用厚度1.5mm国标防锈冷轧钢板,外部结构采用加强型框架,表面喷塑处理,外观涂镀层平整光滑,色泽均匀,无露底、起泡、起层或擦伤痕迹。
箱体内壁采用304(d=4.0mm)不锈钢板+型钢制作,所有接缝TIG连续焊接,确保长期试验后不会出现泄漏现象,内表面抛光处理;内箱外壁焊接井字形+口子形型钢框架补强。
保温材质:环保硬聚氨酯+玻璃纤维棉(保温层厚 200 mm)。
密度40kg/m³,导热系数0.024W/(m·K)。温材料阻燃材料,阻燃等级于B1。
舱体外部易触及部位的温度在高温试验时不高于40℃;在低温试验及环境温度为15℃~35℃、相对湿度≤85%时无凝露现象。
聚氨酯泡沫是以异氰酸酯和聚醚为主要原料发泡剂、催化剂、阻燃剂等多种助剂,通过专用设备混合经过高压打压发泡而成的高分子保温材料,发泡密度高承重保温性能更好。
(1)调控方式:采用强制通风内循环。
(2)送风模式:根据舱体结构,采用合理的送风模式,保证舱内温度均匀性。
(3)加热方式:工作过程中对环境舱内试品不直接辐射,且能在低气压条件下长期工作。在空气循环风道内安装加热丝,对空气加热,通过循环热风,对试品加热。
箱体内设计隔离不锈钢壁板,隔离出单独一个空间,作为循环风道,起到空气调节作用。
循环风道内包含:蒸发器、加热器、加湿口、变频循环风机(离心式风机,长轴外置电机驱动,磁流体密封)、出风口、进风口。
原理:循环空气在循环风道内调和好温度,通过顶部出风口,风均匀的从顶部吹出,散发到测试空间,再从底部回风口回流至循环风道内,形成闭环风循环。从而达到均匀的控制温度的目的。通过风道空气强制对流循环。
蜗壳风机位于箱内空气循环风道,驱动电机位于试验箱外部。变频风机可控制风速。多台离心式风机,长轴外置电机驱动。磁流体密封。
(1) 温度范围:-75℃~+130℃。(温度连续可调)
(2) 温度波动度:≤±0.5℃。(常压、空载时,恒定状态);
(3) 温度均匀度:≤2℃(常压,空载,恒定状态);≤5℃(箱内压力常压~4kPa,空载,恒定状态);≤10℃(箱内压力4kPa~0.5kPa,空载,恒定状态);
(4) 温度偏差:≤±2℃(常压,空载,恒定状态);≤±5℃(箱内压力常压~4kPa,空载,恒定状态);
(5) 升温速率:≥30℃/min(-55℃~90℃,常压,全程平均,100kg铝锭,100kg铝锭由乙方提供)。
(6) 降温速率:≥20℃/min(机械制冷、90℃~-55℃,常压,全程平均,100kg铝锭);≥30℃/min(机械制冷+液氮制冷、90℃~-55℃,常压,全程平均,100kg铝锭)。
(7) 露点温度:经过冷干机处理进入温箱前干空气露点温度≤-65℃。
1)湿度范围:常压状态下湿度范围10%~98%RH(10℃~85℃),如图2,能进行恒定湿热和交变湿热试验,冷冻除湿范围均能长时间稳定运行。低气压状态(常压~54kPa)下湿度范围10%~90%RH(-40℃~+60℃),如图3,露点温度5℃以下温湿度连续运行时间2小时。

2)相对湿度均匀度:≤3%(常压状态下,空载);≤5.0%(常压~54kPa状态下,空载)。
3)相对湿度偏差: +2%~-3%RH(>75%RH);±5%(≤75%RH)常压,空载;±5%(≤75%RH),常压~54kpa,空载。
1)压力范围:常压~100mbar(0.01MPa);
2)降压时间:在高低温及振动综合试验情况下降压速率≤30min(常压至100mbar);
3)压力偏差:≤±2kPa(>25kPa时),≤±0.5KPa(25kPa≥气压>2kPa时),≤±0.1kPa(2kPa≥气压≥0.5kPa时);
4)压力恢复速率:≤10kPa/min(速率可控)。
作用:用于试验室设备控制。
组成:包括硬件系统和软件系统两部分。收集储存数据,发布命令,集成控制系统。
本地控制器控制+远程电脑集中控制
控制器
| 10寸彩色触控屏幕,触控式高分辨率屏幕,可任意设定固定条件或程序条件操作控制面板在箱体正面,操作方便合理。LCD彩色液晶显示,触摸控制,中文界面。 中央控制器可显示、设定试验参数、程序曲线、工作时间、加热器、制冷机组、风机、真空系统的工作状态;同时,具有试验程序自动运行及参数自整定功能,可自动组合加热系统、制冷系统、循环风机、超温报警、真空系统等子系统工作。 |
显示精度 | 温度精度0.01℃,时间1s 湿度精度0.1%RH 气压精度0.01kpa |
智能控制功能 | 控制系统可根据输入的试验数据自动识别分析情况,从而自动开启或关闭相应工作单元,实现各种温度、湿度的准确控制。 采用智能化控制功能,根据试验工况实现自动开启或关闭相应工作单元和调节各单元的工作状态。 |
配电控制柜 | 总电源断路器、控制器、配电板、散热风机 |
参数测量 | 采用A级高精度Pt100铠装铂电阻; 采用高精度级(0.5级)一体化湿度传感器; 采用0.1级高精度真空压力传感器; |
制冷压力及排气温度监控 | 环境舱配有用于检测压缩机工况的压力传感器和排气温度传感器,以检测压缩机运行过程中排气压力和排气温度的实时动态;使压缩机始终处于良性的工作状态;可以查看制冷系统的静态压力,以便于专业的工程师维护保养设备之用。 |
人机界面 | 采用二维视角表征,可分各个子系统实时显示环境仓及各设备运行指标参数; 界面美观、大方、灵活、设置简单、操作方便,可实现温湿度试验程序的设置与自动运行,对运行数据实时存储,对设备故障、报警进行显示;人机界面良好,操作方便,能实时显示试验时间、试验参数等信息;具备数据记录功能,可查看历史数据表和历史数据趋势图。 |
画面显示功能 | .温湿度、压力设定(SV)实际(PV)值直接显示 .可显示执行程序号码,段次,剩余时间及循环次数, 运转时间显示 .程序编辑以及图形曲线显示 .具单独程序编辑画面,每页可输入4个段次温湿度,时间 .定点或程序动作状态显示 .语言转换可以切换中文/英文 .设备具有年、月、日及时间显示,设备总的运行时间(0~99999小时、不可复零)、程序段运行时间显示。可查看实时运行曲线。 可选择不同的颜色的温,根据时间坐标可放大缩小,可编辑坐标轴设定显示范围,选择某一点曲线时会显示此点上的各项数据 |
可编辑程序数量 | .可使用的程序量:较大120组,1个程序可由1~100段次组合而成,可使用的记忆容量:1200 SEGMENTS,可重复执行命令:每一个命令可达999次;程序斜率设定可由时间轴来设定,程序间每段较大可设定99小时99分钟,最小一分钟,可设定联结使用; .具有编辑,清除,插入等功能,程序执行中具有跳段,保持功能;荧幕可作背光调整,可设定背光时间;荧幕显示保护功能可做定时或手动关闭设定;程序复制,COPY, 连接功能,编辑实验标题等程序编辑功能; |
接口 | RJ-45 以太网物理接口;其他需要接口。 USB接口:历史数据导出功能 |
安全许可权设定 | 机台操作密码许可权设定 |
温度上下限保护 | 测试程序自动温度上下限保护功能 |
系统故障记录 | 系统维护即时掌控储存/记录/分析 |
故障信息 | 控制器自动监控安全保护及故障检测控制介面。 设备出现故障时自动报警并切断电源,在控制器上显示出现的故障、可能原因分析。 |
保养信息 | 定期弹出日常维护保养和定期维护保养项目表,提醒和指导操作人员期进行设备的保养 |
自诊断功能 | 上下限温度保护功能(声光报警装置),控制系统还具备自检测、自诊断功能,自动进行故障显示、报警;具有日历定时开关机功能,设备可定时运行,到达设定时间后自动停机;自诊断功能,具有多种断电恢复模式,试验完成后具有自动停机并声光提示 |
SD存储卡数据保存 | 内置历史曲线数据保存。用于存储试验资料及试验曲线,标准存储量为2G,可扩充至4G。实时显示内存使用情况 |
自动化 | 设备运行自动化程度高,只须设置目标温湿度或预设设备运行程序,启动运行按钮后系统可自动判断是否开启制冷机组、加热器,同时自动对加热、制冷输出量进行调节,无须过多操作或监控,可得到理想的试验过程曲线。PID分区和自动整定。 |
设定方式 | 中/英文界面、触摸式输入 |
设定范围 | 温度:根据设备的温度工作范围调整(上限+5℃,下限-5℃); |
运行方式 | 程序方式 / 定值方式 |
复电选择 | 意外停机复电后可选“继续”“重新”“停机”模式 |
预约开机功能 | 可随意设定开机时间,打开电源后时间到机台自动运行 |
曲线记录功能 | 具有带电池保护的RAM,可保存设定值、采样值及采样时刻的时间;能通过翻页功能 实现对存储的曲线数据进行查阅,曲线游标可显示某一时间点的具体数据。 |
数据记录 | 可自动存储数据,可通过优盘导出数据; |
通讯及远程控制 | 开放协议。可远程连接电脑,配专用通讯软件一套,监控系统拥有备份、保存和打印试验记录等功能,连机后对设备实现运行,温度等参数的连续监控; 免费开放并提供上位机可访问的通讯协议接口,免费提供因设备数据采集需要的设备状态、检测过程等数据的数据规划及数据存储位置,免费提供以上内容相关的技术支持,确保通过上位机可以监控设备及检测过程相关的关键数据,为实现全过程数字化检测提供支撑。 可做多台机器同步控制 |
出现故障,安全保护功能自动启动,系统在切断电源的同时发出声、光报警并给出提示信息
在舱体的顶部安装有三色声光报警器,可显示设备运行、停止、报警三种状态。
(1) 所有报警信号均预留信号输出和保存,供设备管理人员读取报警信息。控制回路中为独立的过流漏电保护型断路器,当回路中负载有短路、漏电等现象均能跳闸,起到保护作用
(2) 电源断路、漏电、欠压、超压、缺相、错相报警保护
(3) 舱内独立超温保护(防止温度失控,保护设备和试品)
(4) 循环风风机过载/过热报警保护
(5) 冷却水系统缺水或欠压保护
(6) 加热器短路或过载报警保护
(7) 环境舱压力保护
(8) 控制器密码保护
(9) 加湿器电热管干烧保护
(10) 加湿用水缺水保护
(11) 压缩机电机过热保护
(12) 压缩机过载保护
(13) 压缩机超压保护
(14) 试验箱自动停机,并发出声光报警(三色灯提示)
≤75dB(A计权)。(测试点距离设备大门正前方1m远、距离地面高度为1m处,扣除背景噪音后的测量值)
1.设备本身降噪,根据测试,可以降低5~7分贝左右,整机噪声<75db。
(1) 结构减振降噪:设备整体强度高,减少拼接及焊楼点,避免共振的发生。
(2) 地面平整:放在在平整地面减小振动。
(3) 设备底部支撑平稳,结实,与地面接触平整,减小振动。
(4) 压缩机:机组带弹簧减震垫。压缩机安装在机组室底部,重心低,连接紧固,减少振动。
(5) 压缩机消声器,减少压力脉冲引起的振动。
(6) 线束管路:采用卡座卡槽线槽绑带等固定紧,避免震动。
(7) 采用避振管:一种用于压缩机与循环管路连接的柔性金属软管,该产品通过吸收压缩机运转时产生的震动能量,减少管路系统的噪声传导与震动传递。管路外张贴隔热隔音棉降噪。
2.吸音隔音降噪,降低3db~10左右,整机噪声≤70db
(1) 贴吸音棉:采用蜂窝状的特种消音海绵吸音。贴在机组室内壁。吸音原理主要基于其独特的多孔结构和物理机制:空气振动消耗声能:声波入射到海绵的蜂窝孔隙时,会引起孔隙内空气振动。空气与孔壁摩擦产生粘滞阻力,将部分声能转化为热能消耗。热交换损耗声能:当空气在孔隙中绝热压缩时,会与孔壁持续发生热交换,通过热传导作用将声能进一步转化为热能。共振腔体辅助吸音:蜂窝结构形成微型共振腔体,可针对性消除特定频段(如125-500Hz)的工业设备特征噪音,进一步减弱声波传播。

WS08-200S2台体参数 | |
额定正弦激振力(kN) | 200(20吨) |
额定随机激振力(kN RMS) | 200 |
冲击激振力(kN) | 300 |
频率范围(Hz) | 5~2000 |
频率示值误差 | ±2% |
较大正弦加速度(g) | 100(空台面) |
加速度总均方根值误差 | ±10% |
较大速度(m/s) | 2.0 |
较大位移p-p(mm) | 76 |
较大静态负载(kg) | 2000 |
运动部件等效质量(kg) | 200 |
动圈台面直径(mm) | Ф650 |
隔振频率(Hz) | 2.0 |
动圈一阶共振频率 | 1600Hz±10% |
台面螺钉 | 17×M12 |
漏磁 | <1.0 mT |
台体尺寸L×W×H | 约2960mm×1280mm×1360mm |
台体重量(kg) | 约1130 Kg |
GF-200功放参数(配置6米电源线) | |
输出功率 | 360kVA |
单个功率模块 | 60kVA |
输入阻抗 | ≥10kΩ |
功放输出电压 | 320V |
功放开关频率 | 150kHz |
频率响应 | DC~3500Hz |
信噪比 | ≥65dB |
谐波失真(电阻负载) | <1.0% |
输出电压测量误差 | ≤1% |
输出电流测量误差 | ≤1% |
输出电流波峰系数 | ≥3 |
直流稳定性 | 输出端零点飘移不大于50mv/8h |
中频增益 | ≥80 |
功放效率 | >95% |
负载性质 | 阻性,容性,感性任选 |
并机均流不平衡度 | ≤1% |
平均无故障工作时间(MTBF) | >3000小时 |
系统保护 | 电网过压、电网欠压、电网缺相、逻辑故障、功率模块保护、功率模块温度、输出过流、输出过压、驱动电源、台体位移、台体温度、外部连锁等保护电路,任何故障发生时,关闭输出,紧急停机装置等保护功能 |
LQ-1内循环冷却系统参数 | |
内循环水(蒸馏水)流量 | 80 L/min |
内循环水(蒸馏水)压力 | 1 Mpa |
外循环水(自来水)流量 | 160 L/min |
外循环水(自来水)压力 | 0.25~0.4 Mpa |
蒸馏水要求 | 水硬度30ppm,PH7~8,导电率1μs/cm |
LabGenius数字振动控制仪 | |
基本功能 | 具备正弦、随机、典型冲击、冲击响应谱、随机冲击、谐振搜索与驻留、正弦加随机、正弦加正弦、随机加随机等振动控制功能。配有中心零位伺服器,具有自动对中、平衡功能。 |
配置: | DELL品牌机一套 |
加速度传感器(含10米长传感器线)1套 | |
使用说明书及软件光盘备份1套 | |
通道 | 32 |
系统工作环境要求: | |
湿度: | 0~90% (不结露) |
电源要求: | 380V/50Hz,3相,120kVA |
压缩空气要求: | 0.6Mpa |
CTM800铝合金垂直扩展台 | |
材 料 | 铝合金 |
台面尺寸(mm) | 800×800 |
使用频率(Hz) | 正弦2000Hz,随机2000Hz |
台面重量(kg) | 85 |
STM800铝合金水平滑台 | |
材 料 | 铝合金 |
台面尺寸(mm) | 800×800 |
使用频率(Hz) | 正弦2000Hz,随机2000Hz |
台面重量(kg) | 108 |
序号 | 主 要 配 置 | 数量 |
1 | 台体 | |
WS08-200S2振动发生器(垂直) | 1台 | |
LQ-1内循环水冷单元 | 1台 | |
2 | 功放 | |
GF-200数字功率放大器(由进口IGBT模块组成,配置10米电源线) | 1台 | |
3 | CTM800垂直台面 | 1台 |
4 | STM800水平台面 | 1台 |
5 | GY-60液压油源 | 台 |
6 | 控制仪 | |
LabGenius数字振动控制仪 32通道振动控制器(具备正弦、随机、典型冲击、冲击响应谱、随机冲击、谐振搜索与驻留、正弦加随机、正弦加正弦、随机加随机等振动控制功能。),具备控制、监控、输出等功能 | 1套 | |
品牌计算机 | 1套 | |
电荷型加速度传感器(含10米传感器线) | 10套 | |
7 | 三综合配件WS-200S | 1套 |
包含:动圈隔热垫1件、垂直台面隔热垫1件、水平台面隔热垫1件、积水盘1件、防水垫1件 | ||
8 | 专用工具 | |
丁字扳手:M8、M10、M12、M16、M24 | 1套 | |
台面高度指示尺:BC-200 | 1件 | |
内六角扳手:M2-M12 | 1套 | |
9 | 随机附件 | |
电缆线、水管、油管等配件 | 1套 | |
说明书 | 1份 | |
合格证 | 1份 | |
装箱单 | 1份 | |
软件光盘备份 | 1份 |
动圈骨架各部分的质量和刚度合理地分配,并采用高强度铝合金,增强了动圈的刚度和强度,增加了动圈的可靠性与使用寿命,提高了动圈的一阶轴向共振频率。
创新的动圈引线结构设计,克服了同类产品可靠性差的设计缺陷。
无骨架动圈结构,全频带波形畸变小,散热性好。;
双磁路结构:与单磁路相比,磁场强度强,台体体积小,漏磁小。
振动台励磁采用了新的设计思想,减少了励磁功率,节约了电能,减少了发热,增加励磁线圈工作的可靠性和使用寿命,也降低了对冷却系统的设计要求。
动圈采用直线轴承导向,振动台导向性能好,具有较好的抗偏载能力。
台体底座、支架采用了铸铁件,台体电缆汇总连接在台体下部的电器集座上,排列整齐、美观,装拆、维护方便。台体配安装用起吊孔,机座留有与地基安装的连接孔。
1)配电动翻转装置;
2)操控盒置于现场适当位置。
GF系列功率放大器包括EMI电磁屏蔽控制、三相电整流输出、PLC控制、液晶触摸屏操作显示、直流励磁输出、功率放大器模块等。
采用风冷散热、并联式的模块设计结构可以配套到较好的功率输出。采用紧凑型设计,使得每个功放柜可以得到合理使用,具有远程控制功能,允许从外部实现对功率放大器、振动台进行控制、监控。GF系列功率放大器直接耦合到振动台,它可以替换以前的水冷或效率不高的功率放大器。
1)采用PLC+人机界面作为电气控制的主控制器,实现电气逻辑控制、数据采集、实时状态显示以及各类保护等;
2)具备权限管理功能,不同的操作等级拥有不同的操作权限;
3)具备自动控制冷却单元和励磁单元启停的功能;
4)具备电网过压、欠压、缺相,输出过压、过流、过载,逻辑故障,零信号输出,动圈过位移,功率模块过流、过热,动圈冷却水流量不足、超温,励磁冷却水流量不足、超温,柜门开关等保护、联锁、报警功能;
5)具备远近程控制功能;
6)远程控制集成冷却单元、对中系统的监控功能;
7)功放近端、台体现场和远程控制端均设置急停按钮;
8)所有电气控制不含无线功能。
ACCS-1型自动/手动对中系统是为了让垂直运动的动圈维持在平衡位置振动而设计的。气动对中控制器通过多个非接触式光电传感器实时采样动圈位置,采用气动伺服控制的方式保持动圈中心平衡位置,不但能够在静态不同负载重量情况下自动调整动圈支撑气囊气压,使其保持中心位置,而且能够在动态条件下保持动圈振动中心位置,实现动态平衡。ECC电对中系统是在ACCS气对中基础上集成LRX型电感式传感器测距楔块来控制中心位置,控制准确。并且两种对中系统可根据客户试验需求互为切换,使用更方便、控制更精准。
■ 采用非接触式光电传感器,抗干扰能力强。
■ 集成动圈过位移保护功能,无需额外的过位移保护装置。
■ 响应速度快,自适应三级响应控制模式。大重量负载拆装条件下动圈能够快速回归中心位置,节约测试负载装卸时间。
■ 适用范围广,可匹配不同位移的振动台。
■ LED充放气状态显示,自带气压保护。
■ 控制板采用SMT贴片工艺生产,一致性好,可靠型高。
■ 基于CPLD和固态继电器的控制电路设计,软件升级方便、工作寿命长。
■ 24V直流电压供电,安全性高。
■ 集成隔振气囊气压调节阀。
■ 具有常压~1kPa压力环境下台体中位和动圈工作零位的自动和手动调节功能;
■ 在空载和满载工况下,可实现台面、台体与地面的相对位移的*值小于1mm;
■ 与功放的电气控制集成。
1)泵组、管路、水箱、接头、阀门等采用304不锈钢材质;
2)配自动监控系统,并与功放电气控制集成,实现对振动台台体的联合保护,实现开关机的程序联锁;
3)具备泵组过载、水(油)压、水(油)温、液位、流量、水质电导率等监测、保护和报警功能。
STM系列水平滑台主要适用于大尺寸试验件的水平振动试验,具有较大的承载力和抗倾覆力矩,能够实现较大位移振动,较大行程可达76mm。
STM系列水平滑台由水平模块、连接头、水平滑台基座组成;该系列水平模块则由滑板、线性导轨、平板、回复机构所组成。
■ 振动台与水平滑台采用一体化设计,共用基座,具有良好的反作用质量和阻尼效果,连接可靠、操作方便;
■ STM系列水平滑台可以根据客户试验件的结构特点灵活布置位置,以最经济的形式实现较大的能力。
■ 水平滑台采用模块化设计,创新的水平模块设计,更方便于模块维修及更换;
■ 水平手动或自动切换,方式简单,安全可靠、翻转方便。
■ 水平滑台与连接头的连接采用斜孔连接方式,传递刚度强,简单易联,工作强度低。
■ 配水平向振动试验子系统;
■ 连接器和滑板材质:镁铝合金;
■ 配密封静*承、独立进出油管路、高精度微型过滤器;
■ 台面与试验舱内底面齐平;
■ 台面及其与试验舱配合面具有防隔热、防水汽措施;
■ 配油源及其自动监控系统,与功放电气控制集成,实现对振动台台体的联合保护,实现开关机的程序联锁;
■ 滑台基座与振动台台架一体化;
■ 具备泵组过载、油压、油温、液位、流量、油质等监测、保护和报警功能。
CTM系列垂直扩展台是为垂直方向测试提供比动圈更大的安装台面。扩展台由质量较轻的镁合金或铝合金材料制作而成,具有较高的强度重量比。扩展台可以同时对多个项目进行测试,减少测试时间。配置载荷支撑导向的扩展台可以可靠的安装和测试尺寸大、质量重的试件,降低损坏振动台悬挂系统的风险。配置导向的扩展台可以用于模拟在恶劣的运输条件下,对大而重的设备进行测试,还可以利用增加了额外限制条件和负载的、测试条件较为苛刻的设备进行测试。
1)加速度传感器:10只,环境噪声±1dB,频率范围1Hz~6000Hz,较大加速度250g,耐受-55℃~160℃、98%RH、1kPa环境。
2)下位机:输入通道8路、输出通道2路;
3)控制软件:具备随机、正弦、谐振搜索与驻留、正弦加随机、随机加随机、正弦随机加随机、经典冲击等控制功能;
4)具备动态信号分析功能;
5)同一个界面中集成控制气候试验子系统和振动试验子系统,以及振动分系统中的功放控制界面
输 入 | |
通道数 | 32个同步输入通道 |
通道量程 | ±10 V;±1 V;±100 mV;±10 mV |
采样率与分辨率 | 2.048k Hz至131.072k Hz;24位模数转换(ADC) |
模拟通道 | 差分/单端可选,阻抗大于200 KΩ;AC/DC耦合方式可选;IEPE恒流源(4 mA);支持TEDS传感器 |
输入接口 | 可直接连接IEPE传感器,支持直接电压和电荷信号输入 |
动态范围 | ³120 dB,组合动态范围可高达140 dB |
滤波器 | 模拟抗混叠滤波器和160 dB/Oct线性相位数字滤波器,防止混叠和相位失真;0.5 Hz模拟高通滤波器 |
输 出 | |
通道数 | 1个模拟信号源输出通道 |
分辨率 | 24位数模转换(DAC) |
电压范围 | ±10 V |
输出阻抗 | 小于50 W |
滤波器 | 模拟抗混叠滤波器和160 dB/Oct线性相位数字过滤器,防止混叠和相位失真。 |
输出功能满足 | 正弦、随机、正弦+随机、随机+随机、共振搜索与驻留、经典冲击、瞬态冲击、冲击响应谱 |
具备集成控制功能:振动控制、功放控制、综合试验箱控制集成在一个界面上。
在电脑上安装控制软件,通过通信接口连接,集中控制。
振动分系统具有健康诊断和节能功能。
(1) 健康诊断功能
故障预警:通过频谱分析(如FFT)识别轴承磨损、齿轮故障等异常特征,结合温度、噪声等多维数据提升诊断精度。
实时监测:在线监测系统集成三轴MEMS传感器,实时采集振动数据并无线传输,配置频谱报警阈值进行快速预判。
闭环控制:通过闭环控制优化设备稳定性 。
(2) 节能功能
能效优化:通过振动数据分析调整设备运行参数,减少不必要的能量损耗 。
预防性维护:提前发现潜在故障(如轴承异常),避免设备过度磨损导致的能耗增加 。
-55℃/1kpa综合试验条件下持续试验能力不低于48小时。
四综合试验如图4:
其中负载≥100kg(含振动夹具,负载由乙方提供),高温90℃,低温-55℃,升温速率≥20℃/min(以设备实际较大能力),降温速率≥20℃/min(以设备实际较大能力,机械制冷),高湿98%RH,极限低气压≤10kPa,振动条件如图5,PSD=0.8g2/Hz,综合试验循环次数10次。

1.25m3。
采用前后结构设计,前部为箱体后部为机组。
试验箱采用整体式结构:前部为试验区,后部为机组。
采用厚度1.5mm国标防锈冷轧钢板,外部结构采用加强型框架,表面喷塑处理,外观涂镀层平整光滑,色泽均匀,无露底、起泡、起层或擦伤痕迹。
箱体内壁采用304(d=4.0mm)不锈钢板+型钢制作,所有接缝TIG连续焊接,确保长期试验后不会出现泄漏现象,内表面抛光处理;内箱外壁焊接井字形+口子形型钢框架补强。
保温材质:环保硬聚氨酯+玻璃纤维棉(保温层厚 200 mm)。
密度40kg/m³,导热系数0.024W/(m·K)。温材料阻燃材料,阻燃等级于B1。
舱体外部易触及部位的温度在高温试验时不高于40℃;在低温试验及环境温度为15℃~35℃、相对湿度≤85%时无凝露现象。
聚氨酯泡沫是以异氰酸酯和聚醚为主要原料发泡剂、催化剂、阻燃剂等多种助剂,通过专用设备混合经过高压打压发泡而成的高分子保温材料,发泡密度高承重保温性能更好。
(1)调控方式:采用强制通风内循环。
(2)送风模式:根据舱体结构,采用合理的送风模式,保证舱内温度均匀性。
(3)加热方式:工作过程中对环境舱内试品不直接辐射,且能在低气压条件下长期工作。在空气循环风道内安装加热丝,对空气加热,通过循环热风,对试品加热。
箱体内设计隔离不锈钢壁板,隔离出单独一个空间,作为循环风道,起到空气调节作用。
循环风道内包含:蒸发器、加热器、加湿口、变频循环风机(离心式风机,长轴外置电机驱动,磁流体密封)、出风口、进风口。
原理:循环空气在循环风道内调和好温度,通过顶部出风口,风均匀的从顶部吹出,散发到测试空间,再从底部回风口回流至循环风道内,形成闭环风循环。从而达到均匀的控制温度的目的。通过风道空气强制对流循环。
蜗壳风机位于箱内空气循环风道,驱动电机位于试验箱外部。变频风机可控制风速。多台离心式风机,长轴外置电机驱动。磁流体密封。
1)温度范围:-75℃~+130℃。(温度连续可调)
2)温度波动度:≤±0.5℃。(常压、空载时,恒定状态);
3)温度均匀度:≤2℃(常压,空载,恒定状态);≤5℃(箱内压力常压~4kPa,空载,恒定状态);≤10℃(箱内压力4kPa~0.5kPa,空载,恒定状态);
4)温度偏差:≤±2℃(常压,空载,恒定状态);≤±5℃(箱内压力常压~4kPa,空载,恒定状态);
5)升温速率:≥30℃/min(-55℃~90℃,常压,全程平均,100kg铝锭,100kg铝锭由乙方提供)。
6) 降温速率:≥20℃/min(机械制冷、90℃~-55℃,常压,全程平均,100kg铝锭);≥30℃/min(机械制冷+液氮制冷、90℃~-55℃,常压,全程平均,100kg铝锭)。
7)露点温度:经过冷干机处理进入温箱前干空气露点温度≤-65℃。
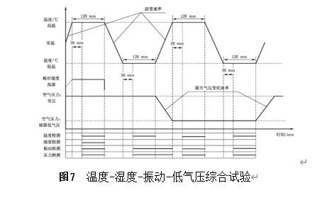
1)湿度范围:常压状态下湿度范围10%~98%RH(10℃~85℃),如图6,能进行恒定湿热和交变湿热试验,冷冻除湿范围均能长时间稳定运行。低气压状态(常压~54kPa)下湿度范围10%~90%RH(-40℃~+60℃),如图7,露点温度5℃以下温湿度连续运行时间不低于2小时。

2)相对湿度均匀度:≤3%(常压状态下,空载);≤5.0%(常压~54kPa状态下,空载)。
3)相对湿度偏差: +2%~-3%RH(>75%RH);±5%(≤75%RH)常压,空载;±5%(≤75%RH),常压~54kpa,空载。
1)压力范围:常压~100mbar(0.01MPa);
2)降压时间:在高低温及振动综合试验情况下降压速率≤30min(常压至100mbar);
3)压力偏差:≤±2kPa(>25kPa时),≤±0.5KPa(25kPa≥气压>2kPa时),≤±0.1kPa(2kPa≥气压≥0.5kPa时);
4)压力恢复速率:≤10kPa/min(速率可控)。
作用:用于试验室设备控制。
组成:包括硬件系统和软件系统两部分。收集储存数据,发布命令,集成控制系统。
本地控制器控制+远程电脑集中控制
控制器
| 10寸彩色触控屏幕,触控式高分辨率屏幕,可任意设定固定条件或程序条件操作控制面板在箱体正面,操作方便合理。LCD彩色液晶显示,触摸控制,中文界面。 中央控制器可显示、设定试验参数、程序曲线、工作时间、加热器、制冷机组、风机、真空系统的工作状态;同时,具有试验程序自动运行及参数自整定功能,可自动组合加热系统、制冷系统、循环风机、超温报警、真空系统等子系统工作。 |
显示精度 | 温度精度0.01℃,时间1s 湿度精度0.1%RH 气压精度0.01kpa |
智能控制功能 | 控制系统可根据输入的试验数据自动识别分析情况,从而自动开启或关闭相应工作单元,实现各种温度、湿度的准确控制。 采用智能化控制功能,根据试验工况实现自动开启或关闭相应工作单元和调节各单元的工作状态。 |
配电控制柜 | 总电源断路器、控制器、配电板、散热风机 |
参数测量 | 采用A级高精度Pt100铠装铂电阻; 采用高精度级(0.5级)一体化湿度传感器; 采用0.1级高精度真空压力传感器; |
制冷压力及排气温度监控 | 环境舱配有用于检测压缩机工况的压力传感器和排气温度传感器,以检测压缩机运行过程中排气压力和排气温度的实时动态;使压缩机始终处于良性的工作状态;可以查看制冷系统的静态压力,以便于专业的工程师维护保养设备之用。 |
人机界面 | 采用二维视角表征,可分各个子系统实时显示环境仓及各设备运行指标参数; 界面美观、大方、灵活、设置简单、操作方便,可实现温湿度试验程序的设置与自动运行,对运行数据实时存储,对设备故障、报警进行显示;人机界面良好,操作方便,能实时显示试验时间、试验参数等信息;具备数据记录功能,可查看历史数据表和历史数据趋势图。 |
画面显示功能 | .温湿度、压力设定(SV)实际(PV)值直接显示 .可显示执行程序号码,段次,剩余时间及循环次数, 运转时间显示 .程序编辑以及图形曲线显示 .具单独程序编辑画面,每页可输入4个段次温湿度,时间 .定点或程序动作状态显示 .语言转换可以切换中文/英文 .设备具有年、月、日及时间显示,设备总的运行时间(0~99999小时、不可复零)、程序段运行时间显示。可查看实时运行曲线。 可选择不同的颜色的温,根据时间坐标可放大缩小,可编辑坐标轴设定显示范围,选择某一点曲线时会显示此点上的各项数据 |
可编辑程序数量 | .可使用的程序量:较大120组,1个程序可由1~100段次组合而成,可使用的记忆容量:1200 SEGMENTS,可重复执行命令:每一个命令可达999次;程序斜率设定可由时间轴来设定,程序间每段较大可设定99小时99分钟,最小一分钟,可设定联结使用; .具有编辑,清除,插入等功能,程序执行中具有跳段,保持功能;荧幕可作背光调整,可设定背光时间;荧幕显示保护功能可做定时或手动关闭设定;程序复制,COPY, 连接功能,编辑实验标题等程序编辑功能; |
接口 | RJ-45 以太网物理接口;其他需要接口。 USB接口:历史数据导出功能 |
安全许可权设定 | 机台操作密码许可权设定 |
温度上下限保护 | 测试程序自动温度上下限保护功能 |
系统故障记录 | 系统维护即时掌控储存/记录/分析 |
故障信息 | 控制器自动监控安全保护及故障检测控制介面。 设备出现故障时自动报警并切断电源,在控制器上显示出现的故障、可能原因分析。 |
保养信息 | 定期弹出日常维护保养和定期维护保养项目表,提醒和指导操作人员期进行设备的保养 |
自诊断功能 | 上下限温度保护功能(声光报警装置),控制系统还具备自检测、自诊断功能,自动进行故障显示、报警;具有日历定时开关机功能,设备可定时运行,到达设定时间后自动停机;自诊断功能,具有多种断电恢复模式,试验完成后具有自动停机并声光提示 |
SD存储卡数据保存 | 内置历史曲线数据保存。用于存储试验资料及试验曲线,标准存储量为2G,可扩充至4G。实时显示内存使用情况 |
自动化 | 设备运行自动化程度高,只须设置目标温湿度或预设设备运行程序,启动运行按钮后系统可自动判断是否开启制冷机组、加热器,同时自动对加热、制冷输出量进行调节,无须过多操作或监控,可得到理想的试验过程曲线。PID分区和自动整定。 |
设定方式 | 中/英文界面、触摸式输入 |
设定范围 | 温度:根据设备的温度工作范围调整(上限+5℃,下限-5℃); |
运行方式 | 程序方式 / 定值方式 |
复电选择 | 意外停机复电后可选“继续”“重新”“停机”模式 |
预约开机功能 | 可随意设定开机时间,打开电源后时间到机台自动运行 |
曲线记录功能 | 具有带电池保护的RAM,可保存设定值、采样值及采样时刻的时间;能通过翻页功能 实现对存储的曲线数据进行查阅,曲线游标可显示某一时间点的具体数据。 |
数据记录 | 可自动存储数据,可通过优盘导出数据; |
通讯及远程控制 | 开放协议。可远程连接电脑,配专用通讯软件一套,监控系统拥有备份、保存和打印试验记录等功能,连机后对设备实现运行,温度等参数的连续监控; 免费开放并提供上位机可访问的通讯协议接口,免费提供因设备数据采集需要的设备状态、检测过程等数据的数据规划及数据存储位置,免费提供以上内容相关的技术支持,确保通过上位机可以监控设备及检测过程相关的关键数据,为实现全过程数字化检测提供支撑。 可做多台机器同步控制 |
出现故障,安全保护功能自动启动,系统在切断电源的同时发出声、光报警并给出提示信息
在舱体的顶部安装有三色声光报警器,可显示设备运行、停止、报警三种状态。
(15) 所有报警信号均预留信号输出和保存,供设备管理人员读取报警信息。控制回路中为独立的过流漏电保护型断路器,当回路中负载有短路、漏电等现象均能跳闸,起到保护作用
(16) 电源断路、漏电、欠压、超压、缺相、错相报警保护
(17) 舱内独立超温保护(防止温度失控,保护设备和试品)
(18) 循环风风机过载/过热报警保护
(19) 冷却水系统缺水或欠压保护
(20) 加热器短路或过载报警保护
(21) 环境舱压力保护
(22) 控制器密码保护
(23) 加湿器电热管干烧保护
(24) 加湿用水缺水保护
(25) 压缩机电机过热保护
(26) 压缩机过载保护
(27) 压缩机超压保护
(28) 试验箱自动停机,并发出声光报警(三色灯提示)
≤75dB(A计权)。(测试点距离设备大门正前方1m远、距离地面高度为1m处,扣除背景噪音后的测量值)
3.设备本身降噪,根据测试,可以降低5~7分贝左右,整机噪声<75db。
(1) 结构减振降噪:设备整体强度高,减少拼接及焊楼点,避免共振的发生。
(2) 地面平整:放在在平整地面减小振动。
(3) 设备底部支撑平稳,结实,与地面接触平整,减小振动。
(4) 压缩机:机组带弹簧减震垫。压缩机安装在机组室底部,重心低,连接紧固,减少振动。
(5) 压缩机消声器,减少压力脉冲引起的振动。
(6) 线束管路:采用卡座卡槽线槽绑带等固定紧,避免震动。
(7) 采用避振管:一种用于压缩机与循环管路连接的柔性金属软管,该产品通过吸收压缩机运转时产生的震动能量,减少管路系统的噪声传导与震动传递。管路外张贴隔热隔音棉降噪。
4.吸音隔音降噪,降低3db~10左右,整机噪声≤70db
(1) 贴吸音棉:采用蜂窝状的特种消音海绵吸音。贴在机组室内壁。吸音原理主要基于其独特的多孔结构和物理机制:空气振动消耗声能:声波入射到海绵的蜂窝孔隙时,会引起孔隙内空气振动。空气与孔壁摩擦产生粘滞阻力,将部分声能转化为热能消耗。热交换损耗声能:当空气在孔隙中绝热压缩时,会与孔壁持续发生热交换,通过热传导作用将声能进一步转化为热能。共振腔体辅助吸音:蜂窝结构形成微型共振腔体,可针对性消除特定频段(如125-500Hz)的工业设备特征噪音,进一步减弱声波传播。

WS08-200S2台体参数 | |
额定正弦激振力(kN) | 200(20吨) |
额定随机激振力(kN RMS) | 200 |
冲击激振力(kN) | 300 |
频率范围(Hz) | 5~2000 |
频率示值误差 | ±2% |
较大正弦加速度(g) | a) 100g(不加滑台,垂直向,空台面); b) 50g(加滑台,水平向,空台面)。 |
加速度总均方根值误差 | ±10% |
较大速度(m/s) | 2.0 |
较大位移p-p(mm) | 76 |
较大静态负载(kg) | 2000 |
运动部件等效质量(kg) | 200 |
滑台台面尺寸(mm) | 800mm*800mm |
隔振频率(Hz) | 2.0 |
动圈一阶共振频率 | 1000Hz±10% |
台面螺钉 | 17×M12 |
漏磁 | <1.0 mT |
台体尺寸L×W×H | 约2960mm×1280mm×1360mm |
台体重量(kg) | 约1130 Kg |
GF-200功放参数(配置6米电源线) | |
输出功率 | 360kVA |
单个功率模块 | 60kVA |
输入阻抗 | ≥10kΩ |
功放输出电压 | 320V |
功放开关频率 | 150kHz |
频率响应 | DC~3500Hz |
信噪比 | ≥65dB |
谐波失真(电阻负载) | <1.0% |
输出电压测量误差 | ≤1% |
输出电流测量误差 | ≤1% |
输出电流波峰系数 | ≥3 |
直流稳定性 | 输出端零点飘移不大于50mv/8h |
中频增益 | ≥80 |
功放效率 | >95% |
负载性质 | 阻性,容性,感性任选 |
并机均流不平衡度 | ≤1% |
平均无故障工作时间(MTBF) | >3000小时 |
系统保护 | 电网过压、电网欠压、电网缺相、逻辑故障、功率模块保护、功率模块温度、输出过流、输出过压、驱动电源、台体位移、台体温度、外部连锁等保护电路,任何故障发生时,关闭输出,紧急停机装置等保护功能 |
LQ-1内循环冷却系统参数 | |
内循环水(蒸馏水)流量 | 80 L/min |
内循环水(蒸馏水)压力 | 1 Mpa |
外循环水(自来水)流量 | 160 L/min |
外循环水(自来水)压力 | 0.25~0.4 Mpa |
蒸馏水要求 | 水硬度30ppm,PH7~8,导电率1μs/cm |
LabGenius数字振动控制仪 | |
基本功能 | 具备正弦、随机、典型冲击、冲击响应谱、随机冲击、谐振搜索与驻留、正弦加随机、正弦加正弦、随机加随机等振动控制功能。配有中心零位伺服器,具有自动对中、平衡功能。 |
配置: | DELL品牌机一套 |
加速度传感器(含10米长传感器线)1套 | |
使用说明书及软件光盘备份1套 | |
通道 | 32 |
系统工作环境要求: | |
湿度: | 0~90% (不结露) |
电源要求: | 380V/50Hz,3相,120kVA |
压缩空气要求: | 0.6Mpa |
CTM800铝合金垂直扩展台 | |
材 料 | 铝合金 |
台面尺寸(mm) | 800×800 |
使用频率(Hz) | 正弦2000Hz,随机2000Hz |
台面重量(kg) | 85 |
STM800铝合金水平滑台 | |
材 料 | 铝合金 |
台面尺寸(mm) | 800×800 |
使用频率(Hz) | 正弦2000Hz,随机2000Hz |
台面重量(kg) | 108 |
序号 | 主 要 配 置 | 数量 |
1 | 台体 | |
WS08-200S2振动发生器(垂直) | 1台 | |
LQ-1内循环水冷单元 | 1台 | |
2 | 功放 | |
GF-200数字功率放大器(由进口IGBT模块组成,配置10米电源线) | 1台 | |
3 | CTM800垂直台面 | 1台 |
4 | STM800水平台面 | 1台 |
5 | GY-60液压油源 | 台 |
6 | 控制仪 | |
LabGenius数字振动控制仪 32通道振动控制器(具备正弦、随机、典型冲击、冲击响应谱、随机冲击、谐振搜索与驻留、正弦加随机、正弦加正弦、随机加随机等振动控制功能。),具备控制、监控、输出等功能 | 1套 | |
品牌计算机 | 1套 | |
电荷型加速度传感器(含10米传感器线) | 10套 | |
7 | 三综合配件WS-200S | 1套 |
包含:动圈隔热垫1件、垂直台面隔热垫1件、水平台面隔热垫1件、积水盘1件、防水垫1件 | ||
8 | 专用工具 | |
丁字扳手:M8、M10、M12、M16、M24 | 1套 | |
台面高度指示尺:BC-200 | 1件 | |
内六角扳手:M2-M12 | 1套 | |
9 | 随机附件 | |
电缆线、水管、油管等配件 | 1套 | |
说明书 | 1份 | |
合格证 | 1份 | |
装箱单 | 1份 | |
软件光盘备份 | 1份 |
动圈骨架各部分的质量和刚度合理地分配,并采用高强度铝合金,增强了动圈的刚度和强度,增加了动圈的可靠性与使用寿命,提高了动圈的一阶轴向共振频率。
创新的动圈引线结构设计,克服了同类产品可靠性差的设计缺陷。
无骨架动圈结构,全频带波形畸变小,散热性好。;
双磁路结构:与单磁路相比,磁场强度强,台体体积小,漏磁小。
振动台励磁采用了新的设计思想,减少了励磁功率,节约了电能,减少了发热,增加励磁线圈工作的可靠性和使用寿命,也降低了对冷却系统的设计要求。
动圈采用直线轴承导向,振动台导向性能好,具有较好的抗偏载能力。
台体底座、支架采用了铸铁件,台体电缆汇总连接在台体下部的电器集座上,排列整齐、美观,装拆、维护方便。台体配安装用起吊孔,机座留有与地基安装的连接孔。
1)配电动翻转装置;
2)操控盒置于现场适当位置。
GF系列功率放大器包括EMI电磁屏蔽控制、三相电整流输出、PLC控制、液晶触摸屏操作显示、直流励磁输出、功率放大器模块等。
采用风冷散热、并联式的模块设计结构可以配套到较好的功率输出。采用紧凑型设计,使得每个功放柜可以得到合理使用,具有远程控制功能,允许从外部实现对功率放大器、振动台进行控制、监控。GF系列功率放大器直接耦合到振动台,它可以替换以前的水冷或效率不高的功率放大器。
1)采用PLC+人机界面作为电气控制的主控制器,实现电气逻辑控制、数据采集、实时状态显示以及各类保护等;
2)具备权限管理功能,不同的操作等级拥有不同的操作权限;
3)具备自动控制冷却单元和励磁单元启停的功能;
4)具备电网过压、欠压、缺相,输出过压、过流、过载,逻辑故障,零信号输出,动圈过位移,功率模块过流、过热,动圈冷却水流量不足、超温,励磁冷却水流量不足、超温,柜门开关等保护、联锁、报警功能;
5)具备远近程控制功能;
6)远程控制集成冷却单元、对中系统的监控功能;
7)功放近端、台体现场和远程控制端均设置急停按钮;
8)所有电气控制不含无线功能。
ACCS-1型自动/手动对中系统是为了让垂直运动的动圈维持在平衡位置振动而设计的。气动对中控制器通过多个非接触式光电传感器实时采样动圈位置,采用气动伺服控制的方式保持动圈中心平衡位置,不但能够在静态不同负载重量情况下自动调整动圈支撑气囊气压,使其保持中心位置,而且能够在动态条件下保持动圈振动中心位置,实现动态平衡。ECC电对中系统是在ACCS气对中基础上集成LRX型电感式传感器测距楔块来控制中心位置,控制准确。并且两种对中系统可根据客户试验需求互为切换,使用更方便、控制更精准。
■ 采用非接触式光电传感器,抗干扰能力强。
■ 集成动圈过位移保护功能,无需额外的过位移保护装置。
■ 响应速度快,自适应三级响应控制模式。大重量负载拆装条件下动圈能够快速回归中心位置,节约测试负载装卸时间。
■ 适用范围广,可匹配不同位移的振动台。
■ LED充放气状态显示,自带气压保护。
■ 控制板采用SMT贴片工艺生产,一致性好,可靠型高。
■ 基于CPLD和固态继电器的控制电路设计,软件升级方便、工作寿命长。
■ 24V直流电压供电,安全性高。
■ 集成隔振气囊气压调节阀。
■ 具有常压~1kPa压力环境下台体中位和动圈工作零位的自动和手动调节功能;
■ 在空载和满载工况下,可实现台面、台体与地面的相对位移的*值小于1mm;
■ 与功放的电气控制集成。
1)泵组、管路、水箱、接头、阀门等采用304不锈钢材质;
2)配自动监控系统,并与功放电气控制集成,实现对振动台台体的联合保护,实现开关机的程序联锁;
3)具备泵组过载、水(油)压、水(油)温、液位、流量、水质电导率等监测、保护和报警功能。
STM系列水平滑台主要适用于大尺寸试验件的水平振动试验,具有较大的承载力和抗倾覆力矩,能够实现较大位移振动,较大行程可达76mm。
STM系列水平滑台由水平模块、连接头、水平滑台基座组成;该系列水平模块则由滑板、线性导轨、平板、回复机构所组成。
■ 振动台与水平滑台采用一体化设计,共用基座,具有良好的反作用质量和阻尼效果,连接可靠、操作方便;
■ STM系列水平滑台可以根据客户试验件的结构特点灵活布置位置,以最经济的形式实现较大的能力。
■ 水平滑台采用模块化设计,创新的水平模块设计,更方便于模块维修及更换;
■ 水平手动或自动切换,方式简单,安全可靠、翻转方便。
■ 水平滑台与连接头的连接采用斜孔连接方式,传递刚度强,简单易联,工作强度低。
■ 配水平向振动试验子系统;
■ 连接器和滑板材质:镁铝合金;
■ 配密封静*承、独立进出油管路、高精度微型过滤器;
■ 台面与试验舱内底面齐平;
■ 台面及其与试验舱配合面具有防隔热、防水汽措施;
■ 配油源及其自动监控系统,与功放电气控制集成,实现对振动台台体的联合保护,实现开关机的程序联锁;
■ 滑台基座与振动台台架一体化;
■ 具备泵组过载、油压、油温、液位、流量、油质等监测、保护和报警功能。
CTM系列垂直扩展台是为垂直方向测试提供比动圈更大的安装台面。扩展台由质量较轻的镁合金或铝合金材料制作而成,具有较高的强度重量比。扩展台可以同时对多个项目进行测试,减少测试时间。配置载荷支撑导向的扩展台可以可靠的安装和测试尺寸大、质量重的试件,降低损坏振动台悬挂系统的风险。配置导向的扩展台可以用于模拟在恶劣的运输条件下,对大而重的设备进行测试,还可以利用增加了额外限制条件和负载的、测试条件较为苛刻的设备进行测试。
1)加速度传感器:10只,环境噪声±1dB,频率范围1Hz~6000Hz,较大加速度250g,耐受-55℃~160℃、98%RH、1kPa环境。
2)下位机:输入通道8路、输出通道2路;
3)控制软件:具备随机、正弦、谐振搜索与驻留、正弦加随机、随机加随机、正弦随机加随机、经典冲击等控制功能;
4)具备动态信号分析功能;
5)同一个界面中集成控制气候试验子系统和振动试验子系统,以及振动分系统中的功放控制界面
输 入 | |
通道数 | 32个同步输入通道 |
通道量程 | ±10 V;±1 V;±100 mV;±10 mV |
采样率与分辨率 | 2.048k Hz至131.072k Hz;24位模数转换(ADC) |
模拟通道 | 差分/单端可选,阻抗大于200 KΩ;AC/DC耦合方式可选;IEPE恒流源(4 mA);支持TEDS传感器 |
输入接口 | 可直接连接IEPE传感器,支持直接电压和电荷信号输入 |
动态范围 | ³120 dB,组合动态范围可高达140 dB |
滤波器 | 模拟抗混叠滤波器和160 dB/Oct线性相位数字滤波器,防止混叠和相位失真;0.5 Hz模拟高通滤波器 |
输 出 | |
通道数 | 1个模拟信号源输出通道 |
分辨率 | 24位数模转换(DAC) |
电压范围 | ±10 V |
输出阻抗 | 小于50 W |
滤波器 | 模拟抗混叠滤波器和160 dB/Oct线性相位数字过滤器,防止混叠和相位失真。 |
输出功能满足 | 正弦、随机、正弦+随机、随机+随机、共振搜索与驻留、经典冲击、瞬态冲击、冲击响应谱 |
具备集成控制功能:振动控制、功放控制、综合试验箱控制集成在一个界面上。
在电脑上安装控制软件,通过通信接口连接,集中控制。
振动分系统具有健康诊断和节能功能。
(3) 健康诊断功能
故障预警:通过频谱分析(如FFT)识别轴承磨损、齿轮故障等异常特征,结合温度、噪声等多维数据提升诊断精度。
实时监测:在线监测系统集成三轴MEMS传感器,实时采集振动数据并无线传输,配置频谱报警阈值进行快速预判。
闭环控制:通过闭环控制优化设备稳定性 。
(4) 节能功能
能效优化:通过振动数据分析调整设备运行参数,减少不必要的能量损耗 。
预防性维护:提前发现潜在故障(如轴承异常),避免设备过度磨损导致的能耗增加 。
-55℃/1kpa综合试验条件下持续试验能力不低于48小时。
四综合试验如图8:
其中负载≥100kg(含振动夹具,负载由乙方提供),高温90℃,低温-55℃,升温速率≥20℃/min(以设备实际较大能力),降温速率≥20℃/min(以设备实际较大能力,机械制冷),高湿98%RH,极限低气压≤10kPa,振动条件如图5,PSD=0.8g2/Hz,综合试验循环次数10次。


配置1台5立方0.8MPa立式液氮低温储槽(包括基础及管道施工),通过DN50真空管道输送液体至用户设备前段,通过法兰连接DN25真空软管再连接至设备。储罐上设置压力和液位传感器、管道上设置安全阀、泄放装置、温度变送器、压力变送器、紧急切断阀,通过PLC控制柜实现对整个液氮系统的控制和报警功能,达到安全用氮目的,保护后端设备正常使用。
交付设备中不安装无线通信模块(如蓝牙、无线网卡等)。
Copyright © 2018 hth华体电竞.版权所有
服务热线
